[Download 43+] Hp Pavilion G6 Schematic Diagram
View Images Library Photos and Pictures. Diagram Hp 2000 Laptop Diagram Full Version Hd Quality Laptop Diagram Cbschematic2b Angelux It Hp Pavilion G4 G6 G7 Quanta R13 Da0r13mb6e0 Da0r13mb6e1 Rev E Uma Dis Schematics Alisaler Com Schemalaptop Free Download Laptop Schematics Hp Pavilion G4 G6 G7 Quanta R22 Free Download Laptop Motherboard Schematics Hp Pavilion G4 G6 G7 Schematic
. Hp Pavilion G4 G6 G7 Schematic Da0r33mb6d0 Quanta R33 Laptop Schematic Schematic Motherboard For Laptop Hp Pavilion Dv9000 Quanta At1 Ares Artemis Mv Phase Rev Mv Diagram Hp Dv5 Schematic Diagram Full Version Hd Quality Schematic Diagram Diagrameanesf Solanelsole It
Diagram Lenovo A6000 Pcb Diagram Full Version Hd Quality Pcb Diagram Pvdiagramshedinr Jodenjoy It
Diagram Lenovo A6000 Pcb Diagram Full Version Hd Quality Pcb Diagram Pvdiagramshedinr Jodenjoy It
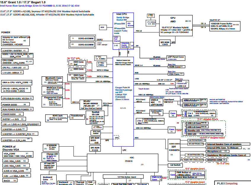
Laptop Circuit Diagram Schematic In India
Hp Pavilion G4 G6 G7 Schematic Da0r12mb6e0 R12 Laptop Schematic
Hp Pavilion Dv5 Amd Schematic Diagram Boardview Laptop Schematic
Hp Pavilion G4 G6 G7 Quanta R33 Laptop Schematics Computer Hardware Computer Engineering
Hp Pavilion G4 G6 G7 Schematic Boardview Quanta R23 Laptop Schematic
Schemalaptop Free Download Laptop Schematics Hp Pavilion G4 G6 G7 Quanta R22 Free Download Laptop Motherboard Schematics
Diagram Hp Pavilion Laptop Diagram Full Version Hd Quality Laptop Diagram Diagramsilkl Officinapab It
Hp Pavilion G6 Iinventec Rocky Amd 15 Rev X01 Schematics Alisaler Com
Bios Schematic Schematic Hp Pavilion G6 Inventec Rocky2
Hp Pavilion G4 G6 G7 Schematic Boardview Da0r22mb6d0 31r22mb0000 Laptop Schematic
Hp Pavilion G6 1000 Schematic Rocky2 Discrete Rky15dn 6050a2412601 Mb A02 Schematic Notebookschematics Com
Hp Pavilion G4 G6 G7 Schematic Da0r33mb6d0 Quanta R33 Laptop Schematic
Hp Pavilion G6 G7 Discrete Schematic Quanta R24 Laptop Schematic
Hp Q139 Hp Q140 Schematic Boardview Quanta Y11a Y11c Day11amb6d0 Laptop Schematic
Hp G6 Quanta R33h Dar33hmb6ao Rev 1a Schematics Alisaler Com
Schemalaptop Free Download Laptop Schematics Hp Pavilion G4 G6 G7 Quanta R22 Free Download Laptop Motherboard Schematics
Hp Pavilion G6 1315ee Bios Bin File Free Download Final Fixer Final Fixer Computer Repair Forum Free Bios Board View Schematic
Hp Pavilion G6 2000 Dar33hmb6a0 Boardview File Next Fix
Hp Pavilion G6 G7 Uma Schematic Quanta R24 Laptop Schematic
Diagram Hp Dv2000 Schematic Diagram Full Version Hd Quality Schematic Diagram Diagramwormt Sistecom It
Lg G4 Motherboard Diagram 25816 Netsonda Es
Schematic Motherboard For Laptop Hp Pavilion Dv9260 Intel Quanta At5 Rev 1a Laptop Schematic
Hp Pavilion G6 1000 Intel Schematic Rocky2 Calpella Discrete Rky15cp 6050a2412201 Mb A02 Notebookschematics Com


Komentar
Posting Komentar